Пылеулавливающие агрегаты и стружкоотсосы в Санкт-Петербурге
Работа на деревообрабатывающих или шлифовальных станках неминуемо связана с выбросом огромного количества отходов. Пылеулавливающие агрегаты (аспирационные установки) — это обязательный элемент безопасности современного цеха. Они не только защищают легкие персонала от мелкодисперсной пыли, но и предотвращают поломку дорогостоящего оборудования, удаляя стружку из зоны резания. В каталоге компании «ПБИ» представлены как компактные мобильные стружкоотсосы для малых мастерских, так и мощные стационарные системы для централизованной аспирации.
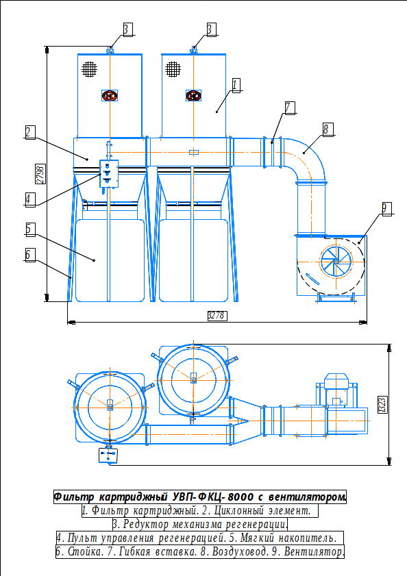
Виды аспирационного оборудования
Выбор установки зависит от типа отходов. Пылесос для опилок не справится с металлической пылью, и наоборот:
- Стружкоотсосы (Для деревообработки). Классическая схема: вентилятор + матерчатый фильтр + мешок-накопитель. Эффективно улавливают крупную стружку, опилки и щепу от рейсмусов, фуганков и циркулярных пил. Просты в обслуживании и мобильны (на колесах).
- Картриджные фильтры (Для мелкой пыли). Вместо тканевого мешка используется гофрированный картридж из полиэстера. Предназначены для улавливания мелкодисперсной пыли (от шлифовки, МДФ, ДСП), которая проходит сквозь обычную ткань. Обеспечивают степень очистки до 1-5 микрон.
- Агрегаты для металлообработки. Оснащены искрогасителями и негорючими фильтрами. Используются с заточными станками (наждаками) и гриндерами для удаления абразивной и металлической пыли.
Как выбрать стружкоотсос: производительность
Главная ошибка — покупка слабого агрегата, который не "тянет" станок. Для каждого типа оборудования есть норматив по расходу воздуха.
| Тип станка | Требуемая производительность (min) | Совет эксперта |
|---|---|---|
| Циркулярная пила / Форматник | 1000 - 1500 м³/час | Достаточно одномешкового стружкоотсоса мощностью 0.75 - 1.5 кВт. |
| Рейсмус / Фуганок (ширина до 400 мм) | 2000 - 2500 м³/час | Большой объем крупной стружки. Нужен двухмешковый агрегат (2.2 кВт) с большим объемом накопителей. |
| Четырехсторонний станок | 3000 - 5000 м³/час и выше | Требуется мощная стационарная установка или подключение к центральной системе. Мобильные пылесосы быстро забиваются. |
| Шлифовальный станок (ШЛПС) | 1500 - 2000 м³/час | Только с картриджным фильтром! Обычный мешок будет пропускать вредную пыльную взвесь обратно в цех. |
Также обратите внимание на материал крыльчатки вентилятора. Мы рекомендуем модели со стальной крыльчаткой. Пластиковые лопасти могут разбиться при попадании сучка или крупного куска древесины.
Все для монтажа аспирации в «ПБИ»
- Комплектующие: в наличии гибкие полиуретановые рукава (шланги), металлические хомуты, разветвители (тройники) и заслонки (шиберы) для перекрытия потока.
- Расходники: сменные мешки-накопители и фильтровальные элементы.
- Проектирование: поможем рассчитать диаметры воздуховодов для централизованной системы, чтобы скорость потока не падала в дальних точках цеха.
В цеху стоит пыль столбом?
Это нарушение норм пожарной безопасности и риск для здоровья. Позвоните нам — мы подберем эффективную систему аспирации под количество и тип ваших станков.
Закажите расчет системы прямо сейчас!
